首页
产品中心
无线射频
Sub-1GHz
Sub-1GHz芯片
发射芯片
接收芯片
收发芯片
SOC接收芯片
SOC发射芯片
SOC收发芯片
编码发射芯片
微能量收集发射芯片
Sub-1GHz模块
发射模块
接收模块
收发模块
SOC射频收发模块
大功率收发模块
Sub-1GHz 透传
蓝牙
蓝牙芯片
蓝牙模块
LoRa
LoRa SPI模块
LoRa透传模块
LoRaWAN模块
Matter
Matter无线模块
WiFi
WiFi模块
2.4GHz
2.4GHz无线收发模块
模拟器件和信号链
传感器
气压传感器
绝压传感器
表压传感器
差压传感器
温湿度传感器
温度传感器
温湿度传感器
隔离芯片
数字隔离
双通道
四通道
六通道
隔离驱动
双管隔离
光耦隔离
隔离接口
隔离I2C
隔离CAN
隔离RS-485
非隔离驱动
半桥驱动
Sub-1GHz
蓝牙
LoRa
Matter
WiFi
2.4GHz
传感器
隔离芯片
非隔离驱动
Sub-1GHz芯片
发射芯片
接收芯片
收发芯片
SOC接收芯片
SOC发射芯片
SOC收发芯片
编码发射芯片
微能量收集发射芯片
Sub-1GHz模块
发射模块
接收模块
收发模块
SOC射频收发模块
大功率收发模块
Sub-1GHz 透传
蓝牙芯片
蓝牙模块
LoRa SPI模块
LoRa透传模块
LoRaWAN模块
Matter无线模块
WiFi模块
2.4GHz无线收发模块
气压传感器
绝压传感器
表压传感器
差压传感器
温湿度传感器
温度传感器
温湿度传感器
数字隔离
双通道
四通道
六通道
隔离驱动
双管隔离
光耦隔离
隔离接口
隔离I2C
隔离CAN
隔离RS-485
半桥驱动
解决方案
环境监测
汽车电子
智慧四表
工业物联
智能家居
消费电子
服务支持
在线选型
样品申请
反馈中心
产品资料中心
常见问题
关于米兰微
米兰微
社会责任
新闻资讯
加入我们
联系我们
EN
产品
新闻
热门搜索
射频芯片
信号链芯片
Matter
无线射频
热门新闻
米兰微坚持打造“中国芯”!近日喜获第十八届 “中国芯” 优秀市场表现产品奖!
法国Unabiz公司CEO来访米兰微,将深入合作
如何通过LoRa模块,实现更稳、更远的无线通信性能?
芯片推荐
产品发布
关于米兰微
首页
产品中心
解决方案
服务支持
关于米兰微
联系我们
新闻资讯
米兰微
社会责任
新闻资讯
加入我们
产品发布
全部新闻
米兰动态
产品发布
企业文化
行业新闻
全部新闻
米兰动态
产品发布
企业文化
行业新闻
2025/04/18
物联之“芯”闪耀上海,米兰微成功亮相electronica China 2025
2025 / 10 / 10
如何通过LoRa模块,实现更稳、更远的无线通信性能?
2025 / 10 / 09
数字气压传感器,如何精准感知看不见的压力参数?
2025 / 09 / 28
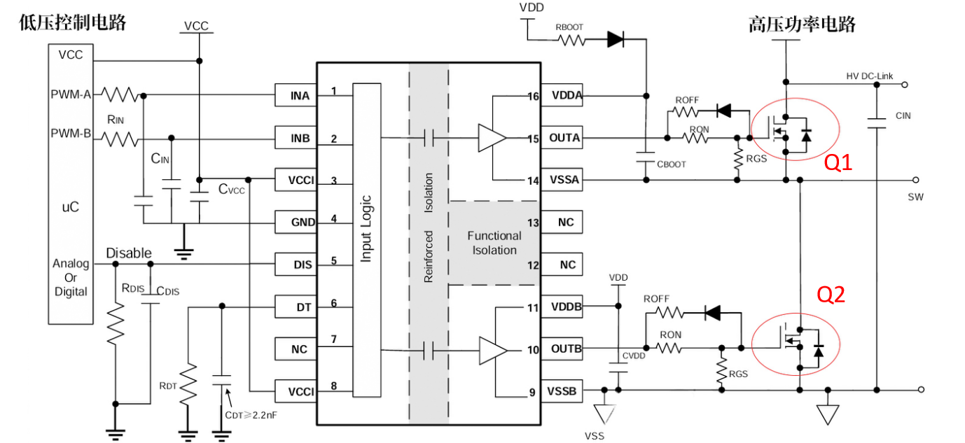
高压、高频功率转换系统中,为何要使用隔离式栅极驱动器?
2025 / 09 / 26
Matter over Thread方案,如何助力智能家居生态互通?
2025 / 09 / 22
Sub-GHz射频芯片,如何降低IoT终端功耗,提升传输性能?
2025 / 09 / 18
数字隔离器,串口通信的安全之“芯”
2025 / 09 / 16
LoRaWAN® 协议,如何驱动端到端供应链监控开启全新阶段?
加载更多
在线选型
资料下载
期待您的来电
4001-189-180
联系电话
咨询邮箱
微信公众号
TOP
联系我们